Product Summary
The V23047A1024A501 is a Safety Relay. It is suitable for Emergency shut-off, machine control, elevator and escalator control, light barrier control.
Parametrics
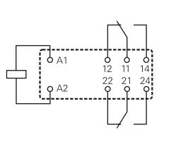
V23047A1024A501 absolute maximum ratings: (1)Contact configuration: 1 NO contact and 1 NC contact or 2 CO contacts1); (2)Contact set: single contact, forcibly guided 1 NC + 1NO: type A according to EN 50205 2 CO: type B according to EN 50205; (3)Type of interruption: micro disconnection; (4)Rated voltage / max. switching voltage: AC 250 / 400 VAC; (5)Rated current: 6 A; (6)Maximum breaking capacity AC: 1500 VA; (7)Contact material: AgNi; (8)Minimum contact load: 10 mA / 5 V.
Features
V23047A1024A501 features: (1)2 pole safety relay with either 1NO+1NC or 2CO contacts; (2)Forcibly guided contacts according to EN 50205; (3)Rated current 6 A; (4)6 kV surge resistance between poles.
Diagrams

![]() |
![]() V23003A 37C104 |
![]() |
![]() RELAY GEN PURPOSE DPDT 2A 24V |
![]() Data Sheet |
![]()
|
|
||||||||||
![]() |
![]() V23003B 25B110 |
![]() |
![]() RELAY GEN PURPOSE 4PDT 2A 12V |
![]() Data Sheet |
![]()
|
|
||||||||||
![]() |
![]() V23003B 37B110 |
![]() |
![]() RELAY GEN PURPOSE 4PDT 2A 24V |
![]() Data Sheet |
![]()
|
|
||||||||||
![]() |
![]() V23003B 37C110 |
![]() TE Connectivity / Axicom |
![]() General Purpose / Industrial Relays 4 FORM C, 4PDT,4 C/O |
![]() Data Sheet |
![]()
|
|
||||||||||
![]() |
![]() V23003B 37C116 |
![]() TE Connectivity |
![]() General Purpose / Industrial Relays |
![]() Data Sheet |
![]()
|
|
||||||||||
![]() |
![]() V23003B 37F104 |
![]() |
![]() RELAY GEN PURPOSE DPDT 5A 24V |
![]() Data Sheet |
![]()
|
|
||||||||||
(China (Mainland))








